подшипники Дунцзе

Вставной подшипник

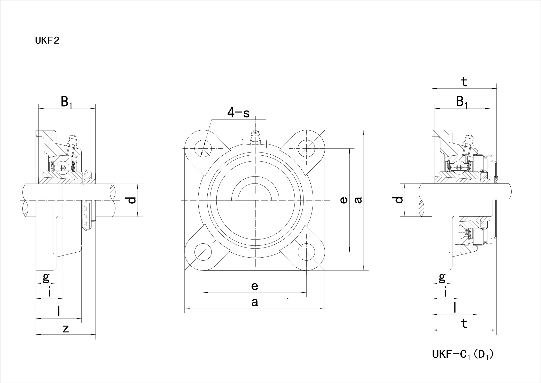
UKF200

  Nov 2023-06   ООО “Шаньдунская компания по производству подшипников Дунцзе”
UKF200

Презентация продукции


Внешний сферический подшипник - это подшипник, который соединяет внешний сферический подшипник с подшипником. Большинство наружных сферических подшипников делают наружный диаметр сферическим и устанавливаются с опорой подшипника со сферическими внутренними отверстиями с различными структурными формами, хорошей универсальностью и взаимозаменяемостью.
В то же время такие подшипники также имеют определенную центростремительность в конструкции, легко монтируются, имеют двойную конструкцию уплотнения, могут работать в суровых условиях. Подшипниковые сиденья обычно изготавливаются из двух видов литья и штамповки. Постоянно поддерживающие литейные подшипники имеют вертикальное сиденье (P), узкое вертикальное сиденье (PA), высокоцентровое вертикальное сиденье (PH), квадратное сиденье (F), выпуклое квадратное сиденье (FS), выпуклое круглое сиденье (FC), ромбовидное сиденье (FL), кольцевое сиденье (C), ползунок (T), подвесное сиденье (HA), регулируемое ромбовидное сиденье (FA), основание подвесного подшипника (FB); Обычная комплектация штамповочного подшипника имеет круглое штамповочное сиденье (PF), ромбовидное штамповочное сиденье (PFL), треугольное штамповочное сиденье (PFT), вертикальное штамповочное сиденье (PP) и так далее.

Профессиональные услуги по выбору подшипников

Единовременные закупки подшипников Старший инженер рекомендует выбор. Быстрые поставки от мощных производителей Профессиональный производитель сферических подшипников Мы готовы, если вам это понадобится. 7 * Круглосуточное бесперебойное обслуживание.

Наши преимущества и преимущества

Превосходное качество и комплексный сервис создают для вас ценность продукта! Высококачественные продукты и передовые технологии ускоряют ваш путь к успеху! « Прогнозирование потребностей клиентов и своевременное реагирование» - это наша обычная практика. Ваше удовлетворение - это наше искреннее стремление! Мы готовы искренне сотрудничать с друзьями из всех слоев общества, чтобы создать славу!